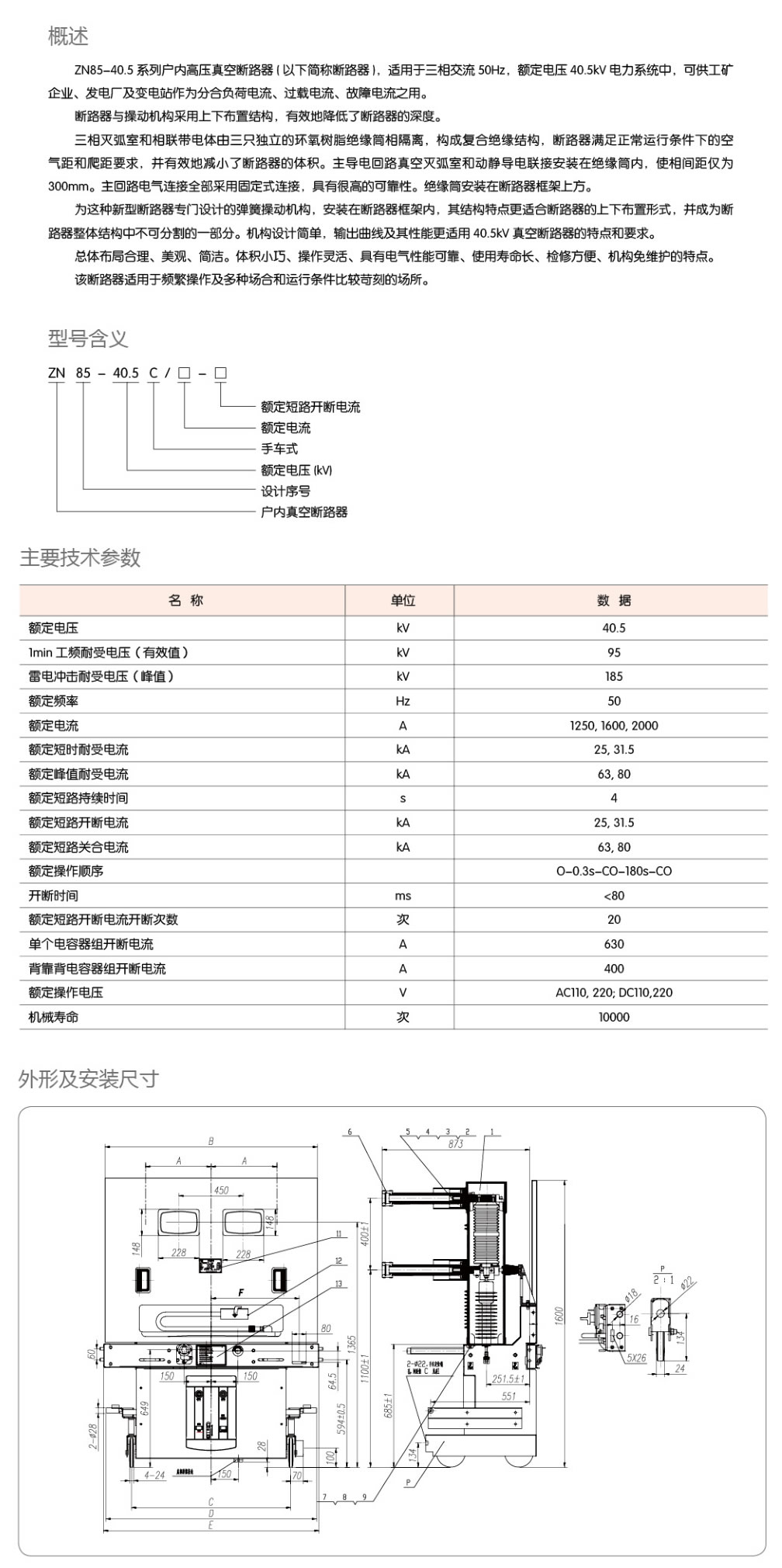
ZN85-40.5 series indoor high voltage vacuum circuit breaker is suitable for three-phase AC 50Hz, rated voltage 40.5kv power system, and can be used for switching load current, overload current and fault current in industrial and mining enterprises, power plants and substations. The circuit breaker and the operating mechanism adopt an up-and-down arrangement mechanism, which effectively reduces the depth of the circuit breaker.

ZN85-40.5 Indoor high voltage vacuum circuit breaker

If you have any enquiry about quotation or cooperation,please free to email us ata65148373@163.comor use the following enquiry form,Our sales representative will contact you within 24 hous.thank you for your interest in our products.
Share our Product over the Social Networks
Search across our website