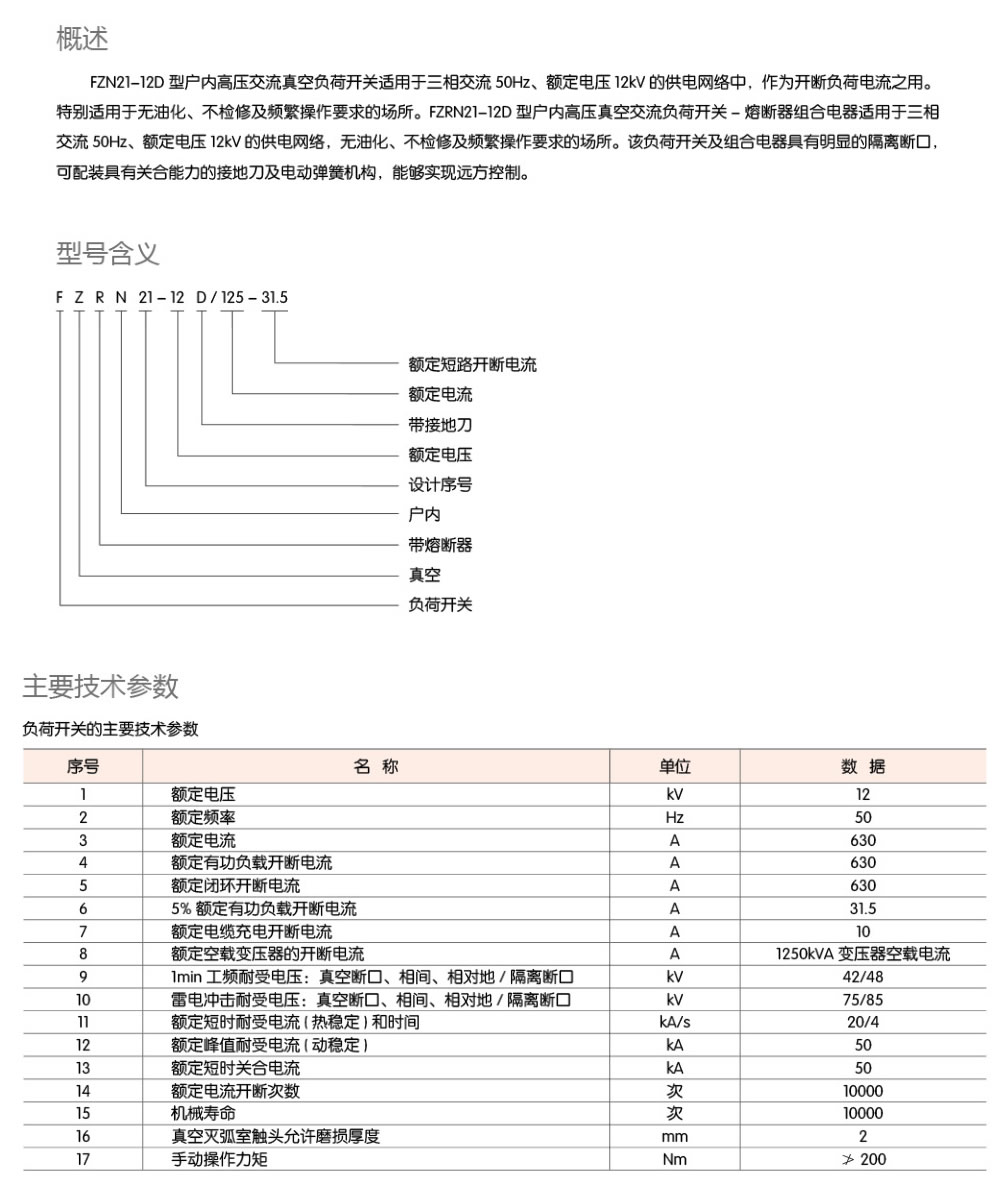
FZ(R)N21-12 indoor high-pressure compressed air load switch is suitable for three-phase AC 50Hz, rated voltage 12kv power supply network, as the purpose of breaking load current. It is especially suitable for places with no oil, no overhaul and frequent operation requirements. The FZRN21-12D indoor high-pressure pneumatic load switch-fuse combination electrical appliance is suitable for three-phase AC 50Hz, rated voltage 12kv power supply network, and places where oil-free, no maintenance and frequent operation requirements are required. The load switch and the combined electrical appliance have obvious isolation fractures, and can be equipped with a grounding knife and an electric spring mechanism with closing capability, which can realize remote control.

FZ(R)N21-12 Indoor high voltage AC vacuum load switch

If you have any enquiry about quotation or cooperation,please free to email us ata65148373@163.comor use the following enquiry form,Our sales representative will contact you within 24 hous.thank you for your interest in our products.
Share our Product over the Social Networks
Search across our website